162603, Вологодская область, г. Череповец ул. Боршодская д. 6 офис 3
kompred@volsfera.ru
+7 (921) 233-41-13
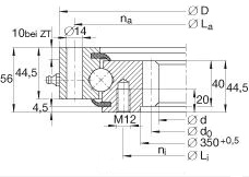
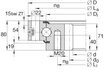
Высота (В (мм)):
Диаметр наружный (D, мм):
Диаметр внутренний (d, мм):
Масса (m, кг):
Сбросить
Войти в личный кабинет
Email
Пароль
Восстановление пароля
Регистрация
Я согласен на обработку персональных данных